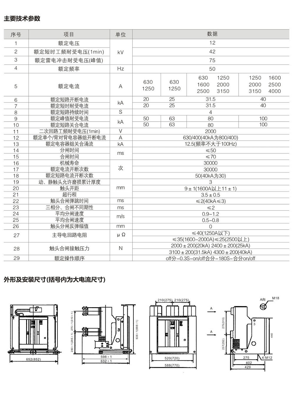
VS1-12M户内永磁真空断路器

联系我们

所属分类

  • 详细信息