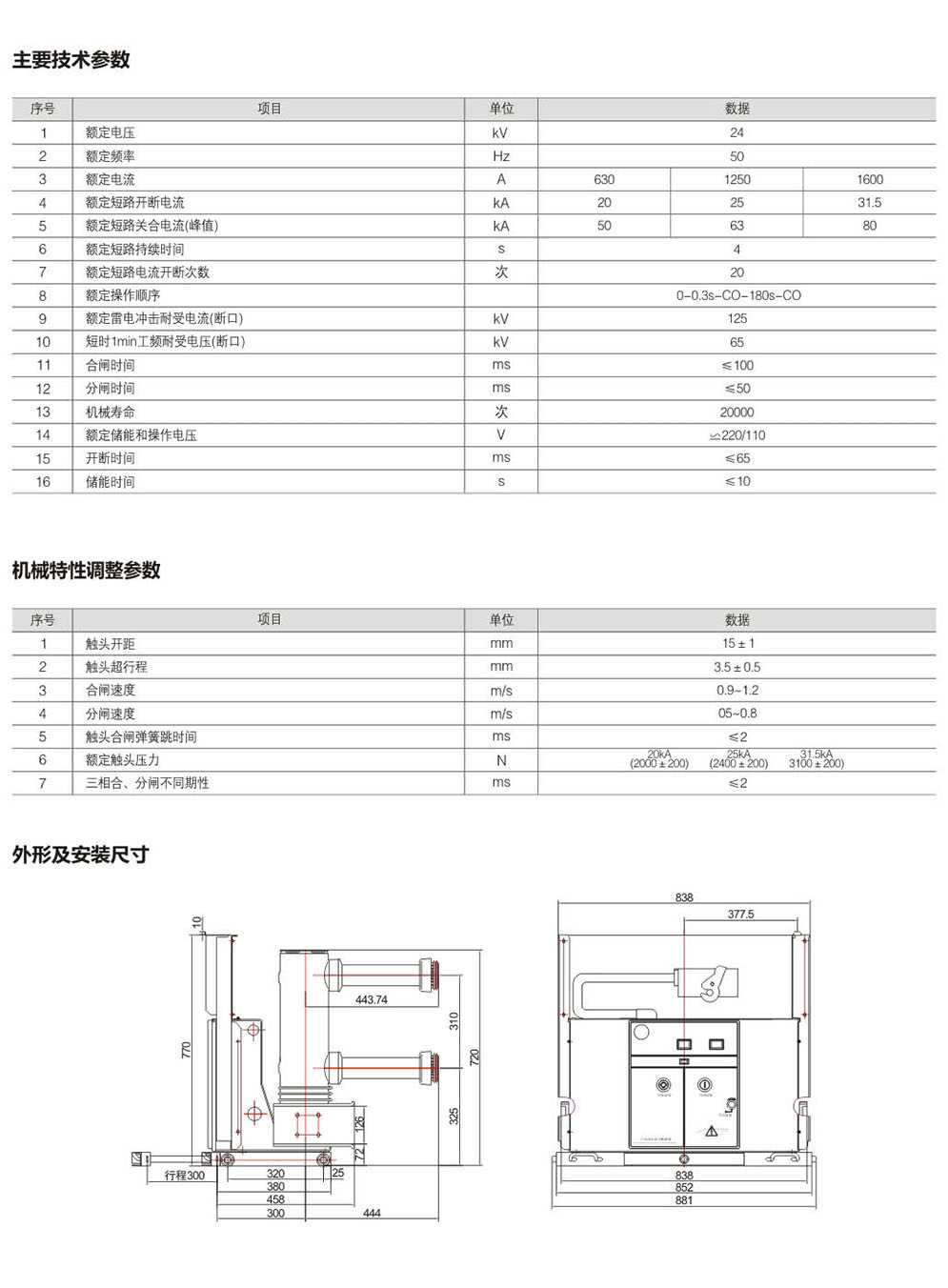
ZN63G(VS1)-24户内高压真空断路器(高原型)

联系我们

所属分类

  • 详细信息