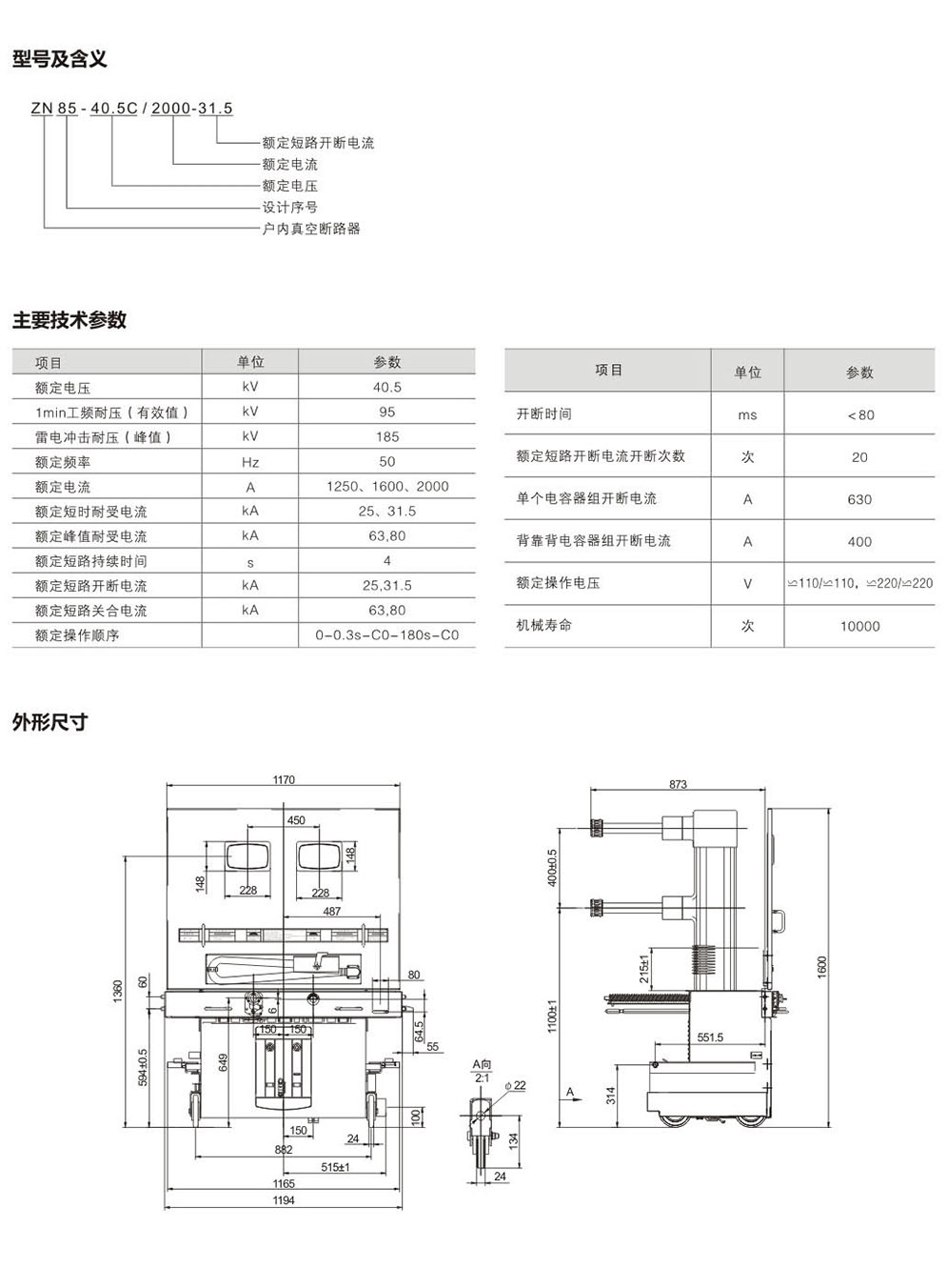
ZN85-40.5户内高压真空断路器

联系我们

所属分类

  • 详细信息