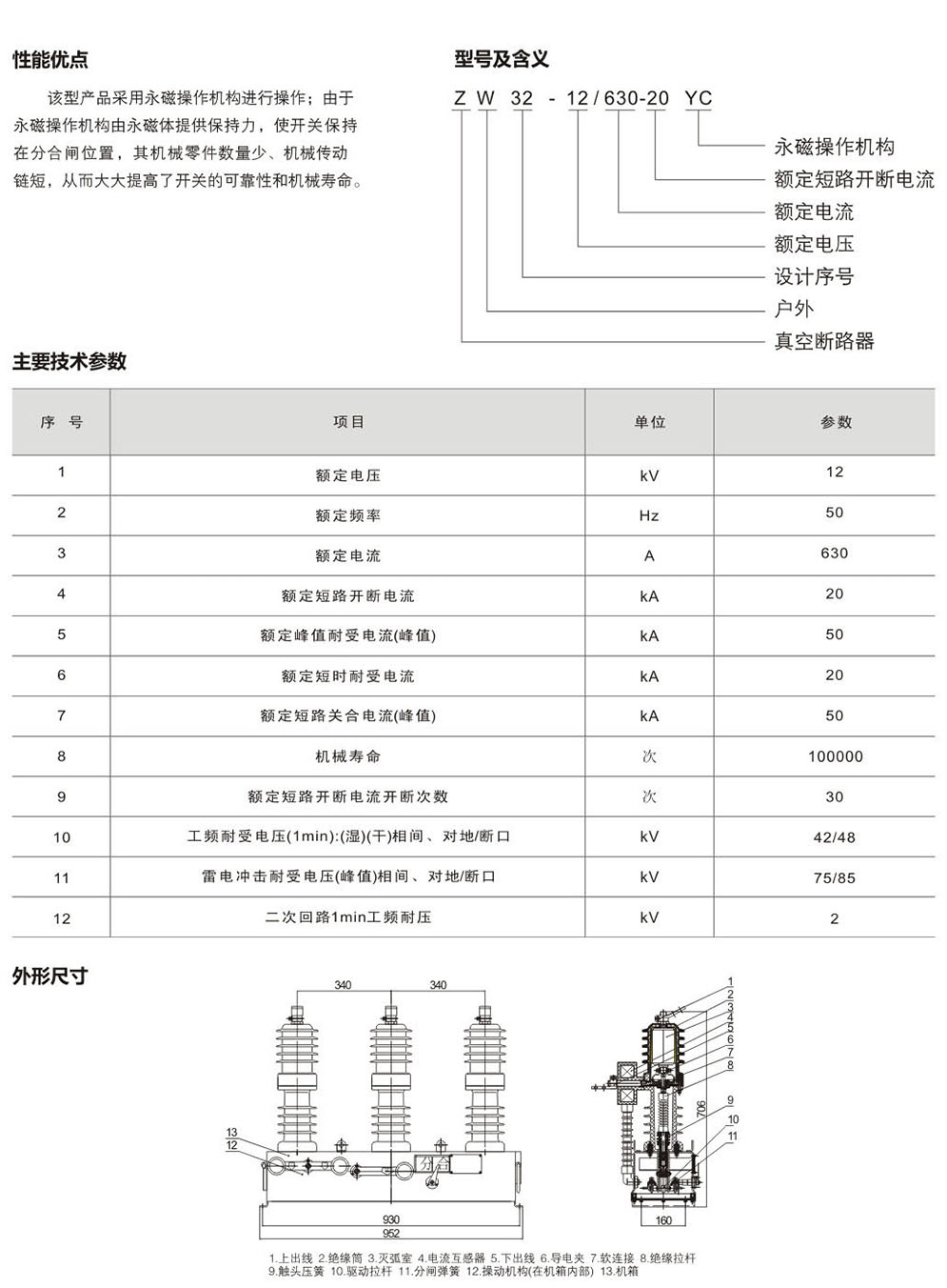
ZW32-12M永磁户外真空断路器

联系我们

所属分类

  • 详细信息